Impeler dan bilah pompa limbah besi cor penggiling WQAS ZEN berkualitas tinggi terbuat dari baja tahan karat kromium 420 tinggi dengan kekerasan HRC49-52 dan memiliki ketahanan aus yang baik.
![]() |
Basis kabel resin epoksi Inti kabel resin epoksi dapat mencegah kelembapan masuk ke motor melalui jalur inti. |
![]() |
Besi cor presisi berkualitas tinggi Mulai dari 3kw, gunakan 3 bantalan berat Baja dingin 800# elektrostator |
![]() |
Pemotongan otomatis perlindungan termal Pematian Pelindung Termal Otomatis Pematian pelindung termal otomatis diaktifkan dan secara otomatis memutus aliran listrik ketika mesin beroperasi secara tidak normal dan berlebihan. |
![]() |
Segel mekanis Segel mekanis ganda terdiri dari dua segel yang dipasang secara seri. Segel mekanis tahan aus unggul yang terbuat dari silikon karbida memastikan efek penyegelan terbaik. |
impeler mesin pemotong dengan cincin pemotong
1. Impeler dirancang tanpa penyumbatan, strukturnya rasional
2. Bahan impeler dan cincin pisau adalah baja tahan karat kromium tinggi 420, kekerasan HRC49 - 52, memiliki ketahanan aus yang baik.
1. 100% motor listrik tembaga berkualitas tinggi.
2. Sekrup baja tahan karat.
3. Pemotong berlapis baja tahan karat / baja tahan karat 304#.
4. Desain dua hingga tiga segel mekanis.
5. Stator baja irisan.
6. Besi cor untuk HT200/250 berkualitas tinggi.
7. Baja dingin #600 - 800, masa pakai lebih lama, suhu mesin lebih rendah.
8. Bantalan berkualitas tinggi.
9. Desain kepala pompa penuh untuk menjaga kinerja stabil
|
|
Proyek | Catatan |
| Pembatasan penggunaan | Suhu cairan. | 0 ~ 40°C (32 ~ 104°F) |
| Aplikasi | Air limbah domestik/industri | |
| Jenis | Frekuensi | 50HZ atau 60HZ |
| Motor listrik | 2P(2900RPM atau 3450RPM) | |
| Bahan isolasi | Kategori F | |
| Perlindungan | IP68 | |
| Pembela | Pemutus sirkuit perlindungan termal satu fase (tiga fase nol) | |
| Bantalan | Tipe bola, 2 - 3 bantalan berat | |
| Segel mekanis | Segel M. ganda | |
| Roda | Angin puyuh + pemotong |
| Model | Listrik | Kepala maksimal | Aliran maksimum | Diskon | ||
| kw | HP | M | m³/jam | Inci | mm | |
| 50WQ10-10-1.1AS | 1.1 | 1.5 | 16 | 20 | 2" | 50 |
| 50WQ15-15-1.5AS | 1.5 | 2 | 19 | 24 | 2" | 50 |
| 50WQ15-20-2.2AS | 2.2 | 3 | 33 | 28 | 2" | 50 |
| 50WQ15-26-3AS | 3 | 4 | 32 | 35 | 2" | 50 |
| 50WQ15-30-4AS | 4 | 5.5 | 31 | 34 | 2" | 50 |
| 65WQ25-10-1.5AS | 1.5 | 2 | 17 | 40 | 2,5" | 65 |
| 65WQ25-15-2.2AS | 2.2 | 3 | 23 | 47 | 2,5" | 65 |
| 65WQ25-20-3AS | 3 | 4 | 26 | 49 | 2,5" | 65 |
| 65WQ25-26-4AS | 4 | 5.5 | 34 | 57 | 2,5" | 65 |
| 65WQ25-30-5.5AS | 5.5 | 7.5 | 36 | 63 | 2,5" | 65 |
| 65WQ25-35-7.5AS | 7.5 | 10 | 39 | 65 | 2,5" | 65 |
| 65WQ30-58-18.5AS | 18.5 | 25 | 59 | 80 | 2,5" | 65 |
| 80WQ40-10-2.2AS | 2.2 | 3 | 17 | 59 | 3" | 80 |
| 80WQ40-15-3AS | 3 | 4 | 21 | 63 | 3" | 80 |
| 80WQ40-20-4AS | 4 | 5.5 | 25 | 72 | 3" | 80 |
| 80WQ45-22-5.5AS | 5.5 | 7.5 | 31 | 82 | 3" | 80 |
| 80WQ45-25-7.5AS | 7.5 | 10 | 37 | 93 | 3" | 80 |
| 80WQ45-46-15AS | 15 | 20 | 57 | 104 | 3" | 80 |
| 80WQ45-52-18.5AS | 18.5 | 25 | 61 | 106 | 3" | 80 |
| 80WQ45-58-22AS | 22 | 30 | 74 | 110 | 3" | 80 |
| 100WQ60-9-3AS | 3 | 4 | 19 | 70 | 4" | 100 |
| 100WQ60-13-4AS | 4 | 5.5 | 27 | 93 | 4" | 100 |
| 100WQ65-15-5.5AS | 5.5 | 7.5 | 21 | 102 | 4" | 100 |
| 100WQ80-35-15AS | 15 | 20 | 51 | 153 | 4" | 100 |
| 100WQ100-13-7.5AS | 7.5 | 10 | 28 | 125 | 4" | 100 |
| 150WQ100-7-5.5AS | 5.5 | 7.5 | 23 | 136 | 6" | 150 |
| 150WQ120-12-7.5AS | 7.5 | 10 | 29 | 164 | 6" | 150 |
| TIDAK. | Nama |
| 1 | Bantalan |
| 2 | sumbu motorik |
| 3 | Rumah mesin |
| 4 | Bahan listrik |
| 5 | Bantalan |
| 6 | Segel mekanis |
| Segel minyak | |
| 7 | Rumah pompa |
| 8 | Roda + sisipan pemotongan |
| 9 | Diskon |
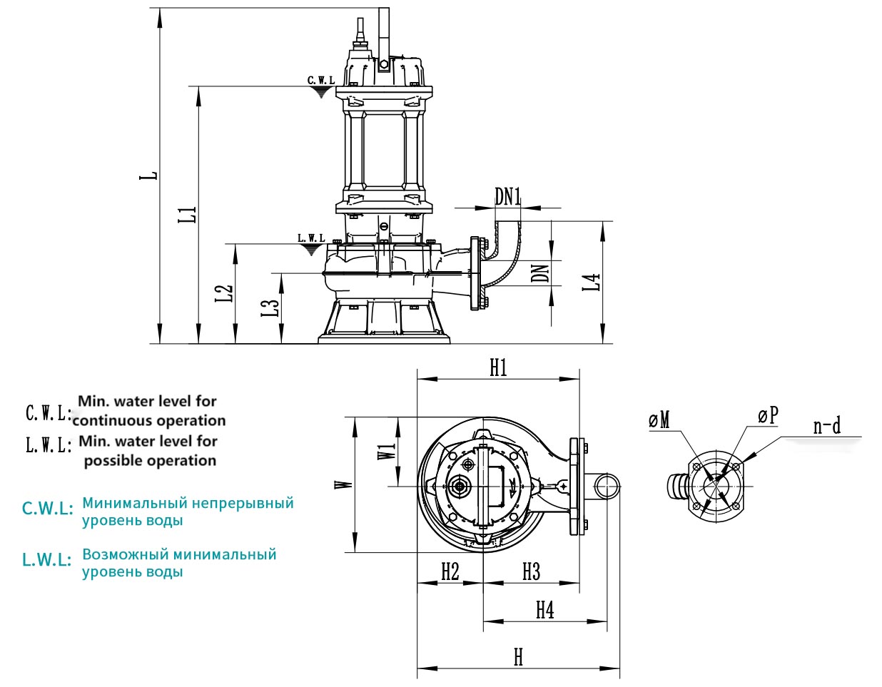
| Model. | hari | DN1 | L | L1 | L2 | L3 | L4 | W | W1 | H | H1 | H2 | H3 | H4 | M | dan | P |
| 50WQ10-10-1.1AS | 50 | 51 | 570 | 420 | 155 | 108 | 195 | 205 | 103 | 386 | 251 | 103 | 148 | 257 | 110 | 4-Φ14 | 140 |
| 50WQ15-15-1.5AS | 50 | 51 | 590 | 440 | 166 | 118 | 239 | 243 | 122 | 413 | 278 | 122 | 156 | 265 | 110 | 4-Φ14 | 140 |
| 50WQ15-20-2.2AS | 50 | 51 | 610 | 460 | 166 | 118 | 239 | 243 | 122 | 413 | 278 | 122 | 156 | 265 | 110 | 4-Φ14 | 140 |
| 50WQ15-26-3AS | 50 | 51 | 650 | 495 | 182 | 132 | 253 | 262 | 131 | 435 | 300 | 131 | 169 | 278 | 110 | 4-Φ14 | 140 |
| 50WQ15-30-4AS | 50 | 51 | 690 | 525 | 182 | 132 | 253 | 262 | 131 | 435 | 300 | 131 | 169 | 278 | 110 | 4-Φ14 | 140 |
| 65WQ25-10-1.5AS | 65 | 64 | 600 | 450 | 176 | 123 | 244 | 243 | 122 | 399 | 286 | 122 | 164 | 245 | 130 | 4-Φ14 | 160 |
| 65WQ25-15-2.2AS | 65 | 64 | 620 | 460 | 176 | 123 | 244 | 243 | 122 | 399 | 286 | 122 | 164 | 245 | 130 | 4-Φ14 | 160 |
| 65WQ25-20-3AS | 65 | 64 | 655 | 500 | 190 | 135 | 256 | 266 | 133 | 429 | 316 | 133 | 183 | 264 | 130 | 4-Φ14 | 160 |
| 65WQ25-26-4AS | 65 | 64 | 695 | 530 | 190 | 135 | 256 | 266 | 133 | 429 | 316 | 133 | 183 | 264 | 130 | 4-Φ14 | 160 |
| 65WQ25-30-5.5AS | 65 | 64 | 740 | 570 | 203 | 147 | 268 | 300 | 150 | 467 | 354 | 150 | 204 | 285 | 130 | 4-Φ14 | 160 |
| 65WQ25-35-7.5AS | 65 | 64 | 770 | 600 | 203 | 147 | 268 | 300 | 150 | 467 | 354 | 150 | 204 | 285 | 130 | 4-Φ14 | 160 |
| 65WQ30-58-18.5AS | 65 | 64 | 995 | 757 | 234 | 174 | 298 | 336 | 168 | 495 | 400 | 168 | 232 | 295 | 130 | 4-Φ14 | 160 |
| 80WQ40-10-2.2AS | 80 | 74 | 630 | 470 | 178 | 125 | 260 | 255 | 133 | 413 | 300 | 122 | 178 | 254 | 150 | 4-Φ18 | 190 |
| 80WQ40-15-3AS | 80 | 74 | 665 | 510 | 197 | 139 | 274 | 267 | 137 | 433 | 320 | 131 | 189 | 265 | 150 | 4-Φ18 | 190 |
| 80WQ40-20-4AS | 80 | 74 | 705 | 540 | 197 | 139 | 274 | 267 | 137 | 433 | 320 | 131 | 189 | 265 | 150 | 4-Φ18 | 190 |
| 80WQ45-22-5.5AS | 80 | 74 | 750 | 580 | 211 | 151 | 286 | 300 | 150 | 477 | 364 | 150 | 214 | 290 | 150 | 4-Φ18 | 190 |
| 80WQ45-25-7.5AS | 80 | 74 | 780 | 610 | 211 | 151 | 286 | 300 | 150 | 477 | 364 | 150 | 214 | 290 | 150 | 4-Φ18 | 190 |
| 80WQ45-46-15AS | 80 | 74 | 960 | 722 | 234 | 174 | 313 | 336 | 168 | 508 | 400 | 168 | 232 | 303 | 150 | 4-Φ18 | 190 |
| 80WQ45-52-18.5AS | 80 | 74 | 995 | 757 | 234 | 174 | 313 | 336 | 168 | 508 | 400 | 168 | 232 | 303 | 150 | 4-Φ18 | 190 |
| 80WQ45-58-22AS | 80 | 74 | 1040 | 802 | 234 | 174 | 313 | 336 | 168 | 508 | 400 | 168 | 232 | 303 | 150 | 4-Φ18 | 190 |
| 100WQ60-9-3AS | 100 | 102 | 680 | 525 | 215 | 144 | 302 | 285 | 152 | 491 | 335 | 135 | 200 | 305 | 170 | 4-Φ18 | 210 |
| 100WQ60-13-4AS | 100 | 102 | 720 | 555 | 215 | 144 | 302 | 285 | 152 | 491 | 335 | 135 | 200 | 305 | 170 | 4-Φ18 | 210 |
| 100WQ65-15-5.5AS | 100 | 102 | 765 | 595 | 229 | 160 | 318 | 313 | 163 | 534 | 378 | 150 | 228 | 333 | 170 | 4-Φ18 | 210 |
| 100WQ80-35-15AS | 100 | 102 | 975 | 735 | 247 | 181 | 333 | 347 | 180 | 567 | 411 | 168 | 243 | 348 | 170 | 4-Φ18 | 210 |
| 100WQ100-13-7.5AS | 100 | 102 | 795 | 625 | 229 | 160 | 318 | 313 | 163 | 534 | 378 | 150 | 228 | 333 | 170 | 4-Φ18 | 210 |
| 150WQ100-7-5.5AS | 150 | 149 | 765 | 595 | 229 | 160 | 374 | 313 | 163 | 585 | 378 | 150 | 228 | 360 | 225 | 8-Φ18 | 265 |
| 150WQ120-12-7.5AS | 150 | 149 | 795 | 625 | 229 | 160 | 374 | 313 | 163 | 585 | 378 | 150 | 228 | 360 | 225 | 8-Φ18 | 265 |