Pompa Sentrifugal S Split Case adalah pompa sentrifugal satu tahap, horizontal, hisap ganda yang dirancang untuk mengangkut air bersih dan cairan dengan sifat fisik dan kimia mirip dengan air, dengan suhu maksimum tidak melebihi 80°C. Sangat cocok untuk penyediaan air dan drainase di pabrik, pertambangan, perkotaan, dan pembangkit listrik, untuk drainase dan irigasi lahan pertanian, serta untuk berbagai proyek teknik hidrolik.
Pompa tipe S adalah pompa sentrifugal horizontal dua tahap satu tahap dengan tipe rata-rata terbuka, dirancang untuk mengangkut air murni dan cairan dengan sifat fisik - kimia mirip dengan air, pada suhu maksimum tidak lebih dari 80 ° C dan cocok untuk suplai dan drainase di pabrik, pertambangan, di kota dan pembangkit listrik, drainase dan irigasi pertanian. lahan untuk berbagai operasi hidrolik.
Pompa seri ini memenuhi standar GB/T3216 dan GB/T5657.
Seluruh saluran masuk dan keluar pompa terletak di bawah sumbu, horizontal dan tegak lurus sumbu, rumah pompa terbuka di tengah, sehingga tidak perlu membongkar pipa masukan dan sumber serta mesin (atau mesin primer lainnya). Dari sudut pandang kopling, pompa bergerak searah jarum jam. Pompa juga dapat bergerak berlawanan arah jarum jam, tetapi perhatian khusus harus diberikan pada urutannya.
Komponen utama pompa: badan pompa (1), penutup pompa (2), impeler (3), sumbu (4), cincin penyerap penyerap ganda (5), selongsong (6), bantalan (15), dll., kecuali porosnya terbuat dari baja karbon berkualitas tinggi, selebihnya terbuat dari besi tuang. Material ini dapat digantikan oleh material lain pada lingkungan yang berbeda.
Rumah pompa dan penutup pompa membentuk studio impeler dengan lubang berulir pada flensa pintu masuk dan keluar untuk memasang pengukur vakum dan pengukur tekanan, serta untuk drainase di bawahnya.
Impeler dikalibrasi sesuai dengan keseimbangan statis, dipasang dengan cangkang dan mur selubung di kedua sisi, dengan bantuan mur, Anda dapat menyesuaikan posisi aksialnya dan menyeimbangkan gaya aksial dengan susunan bilah yang simetris, bantalan aksial dapat menahan daya aksial sisa.
Sumbu pompa ditopang oleh dua bantalan bola sentrauming satu baris, yang dipasang di rumah bantalan di kedua ujung pompa dan dilumasi dengan pelumasan. Cincin penyegel serapan ganda digunakan untuk mengurangi kebocoran pada impeler. Pompa dikendalikan langsung menggunakan kopling elastis. (Jika penggerak karet digunakan, penyangga tambahan harus dipasang).
Katup merupakan pemadatan pengisi, dan untuk mendinginkan dan melumasi rongga kedap udara serta mencegah udara masuk ke pompa di antara pengisi terdapat cincin pengisi. Selama pengoperasian pompa, sejumlah kecil air bertekanan tinggi memasuki rongga pengisi melalui janggut berbentuk kerucut dan berfungsi sebagai penutup air.
1. Perakitan bagian-bagian rotor: secara berurutan pada sumbu pompa, impeller, selongsong, mur tick, kotak isian, cincin olikopik, segel asin, segel mekanis, segel mekanis, cincin penahan air dan bantalan, lalu kopling.
2. Periksa cincin luar impeler yang tersegel secara terpisah dari kolom selubung rotor, yang pemukulan radialnya tidak boleh melebihi parameter yang ditunjukkan pada tabel di bawah.
3. Rotor dipasang pada rumah pompa, sesuaikan impeller sehingga posisi aksialnya berada di tengah-tengah cincin penyerap penyerap ganda di kedua sisi, kemudian kencangkan, lalu kencangkan penutup bantalan dengan sekrup yang tidak bergerak.
| Diameter nominalnya | <50 | 50~120 | 120~250 | 250~500 | 500~800 | 800~1250 |
| Kemampuan melompat | 0.03 | 0.04 | 0.05 | 0.06 | 0.08 | 0.10 |
4. Masukkan bahan pengisi (jika ini adalah pemadatan bahan pengisi), bantalan kertas pada lubang tengah dan penutup pompa, kencangkan terlebih dahulu pinus kerucut ekor yang berulir, lalu kencangkan mur penutup pompa. Pasang penutup pengisi, tetapi jangan menekannya terlalu kencang, karena selongsong dapat memanas dan menyisakan lebih banyak energi; Jika menggunakan segel mekanis, sesuaikan kemampuan kompresi segel mekanis untuk memastikan tidak terjadi kebocoran.
Setelah perakitan selesai, gerakkan sumbu pompa dengan tangan, harus halus dan seragam serta tidak boleh bersentuhan. Pembongkaran dapat dilakukan dengan cara yang berlawanan dengan cara di atas.
1. Periksa apakah pompa dan mesin rusak.
2. Ketinggian pemasangan pompa dikombinasikan dengan rugi-rugi hidrolik pipa hisap dan kecepatan kecepatannya, yaitu NPSHA unit harus lebih besar dari NPSHR. Ukuran alas harus sesuai dengan ukuran pemasangan unit pompa.
3. Prosedur instalasi:
(1) Tempatkan pompa di atas pondasi beton dengan menggunakan baut pondasi yang sudah terpasang, atur posisi horizontal dengan mengatur peletakan baji dan kencangkan baut dengan benar untuk mencegah perpindahan baut.
(2) Tuang beton di antara pondasi dan kaki pompa.
(3) Setelah beton mengeras, kencangkan baut kaki bawah tanah, periksa kembali posisi horizontal pompa.
(4) Perbaiki konsentrisitas antara pompa dan sumbu mesin sehingga berada pada garis lurus. Izin masuk ke sentrisitas berbeda dari cincin luar kedua kopling adalah 0,1 mm, sedangkan jarak antara salah satu ujung dan keliling yang tidak rata adalah 0,3 mm (perubahan lain juga harus memenuhi persyaratan di atas setelah penyambungan dan commissioning pasokan air).
(5) Setelah menentukan arah putaran mesin yang sesuai dengan arah putaran pompa, dipasang pin pin kopling.
4. Saluran pipa untuk umpan dan saluran keluar harus ditopang oleh penyangga terpisah, dan bukan badan pompa.
5. Sambungan antara pompa dan pipa harus dijaga kekencangannya dengan baik, terutama pipa masukan, yang harus dijamin tidak ada kebocoran udara dan tidak dapat dimasukkan ke dalam unit.
6. Biasanya, jika pompa dipasang di atas permukaan air pada saluran masuk air, Anda dapat memasang katup bawah untuk menghidupkan pompa dan injeksi air, serta menggunakan pompa vakum untuk mengalirkan air.
7. Pipa keluaran pompa, biasanya, memerlukan pemasangan katup dan katup pengunci (ketinggian kurang dari 20 m tidak memerlukan pemasangan), dan katup periksa dipasang di belakang katup.
Cara pemasangan yang disebutkan di atas mengacu pada pompa yang tidak memiliki dasar sosial.
Untuk pompa dengan pondasi konvensional antara pondasi dan beton, paking besi berbentuk baji digunakan untuk mengoreksi ketinggian unit, dan kemudian beton disemen di antara keduanya. Prinsip pemasangan dan persyaratannya identik dengan pompa yang tidak memiliki kesamaan.
1. Memulai dan menghentikan
(1) Sebelum menghidupkan rotor pompa yang bergerak, indera rotor harus ringan, halus, seragam.
(2) Tutup katup buang dan isi air dengan pompa (jika tidak ada katup bawah, air dipompa keluar dengan pompa vakum untuk mengarahkan air). Pastikan pompa terisi air dan tidak ada akses udara.
(3) Sebelum menghidupkan mesin, matikan terlebih dahulu garpu vakum atau manometer, jika terpasang pada pompa, sambungkan ke pompa, kemudian hidupkan garpu saat mesin bergerak pada kecepatan normal; Kemudian katup keluaran secara bertahap terbuka, menguranginya pada konsumsi yang lebih besar atau, sebaliknya, menambah atau meningkatkannya.
(4) Kencangkan mur penekan pada penutup pengisi secara merata untuk mencegah tetesan dan perhatikan peningkatan suhu di luar rongga pengisi.
(5) Apabila pompa berhenti, matikan terlebih dahulu garpu penghisap debu atau manometer dan katup penyedia air, kemudian matikan tenaga mesin. Pada suhu lingkungan yang rendah, buka sumbat persegi di bawah rumah pompa dan tiriskan sisa air untuk mencegah retaknya es.
(6) Selama berhenti dalam waktu lama, lepaskan pompa dan keringkan bagian-bagiannya dan oleskan lemak anti korosi pada permukaan yang dirawat.
2. Berlari
(1) Suhu maksimum bantalan pompa tidak boleh melebihi 75 °C
(2) Volume pelumas berbahan dasar kalsium untuk bantalan pelumas sesuai untuk menjaga 1/3 - 1/2 ruang pada bantalan.
(3) Jika tutup segel oli sedikit aus, maka tutup segel oli harus ditekan dengan benar, dan jika keausannya terlalu besar, tutup segel oli harus diganti.
(4) Periksa elastis kopling secara berkala dan perhatikan peningkatan suhu bantalan mesin.
(5) Selama bekerja, bila terdengar kebisingan atau suara lain yang tidak biasa, sebaiknya segera berhenti untuk mengetahui penyebabnya dan menghilangkannya.
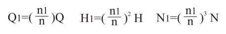
(6) Jangan menambah kecepatan pompa secara sembarangan, namun Anda dapat mengurangi kecepatan pompa. Misalnya, untuk pompa jenis ini, kecepatan putaran pengenal n, konsumsi Q, tekanan H, daya sumbu N, kecepatan berkurang N1, konsumsi, tekanan dan daya sumbu setelah penurunan kecepatan masing-masing adalah Q1, H1 dan N1. Transformasi dilakukan menurut rumus berikut.
| Kegagalan | Menyebabkan | pemecahan masalah |
| 1. Pompa tidak menyedot air, indikator tekanan dan pengukur vakum melonjak drastis |
1. Air di hutan tidak mencukupi; 2. Kebocoran berasal dari pipa atau counter. |
1. Tuangkan lebih banyak air; 2. Kencangkan atau tutup tempat kebocoran. |
| 2. Pompa tidak menyedot air, vakum tinggi ditampilkan pada vakum. |
1. Katup penerima tidak terbuka atau terkunci; 2. Hambatan pipa hisap terlalu besar; 3. Ketinggian penyerapan air terlalu tinggi |
1. Perbaiki atau ganti katup bawah; 2. Bilas atau ganti pipa; 3. Kurangi tinggi badan |
| 3. Air tidak keluar dari pompa, tekanan ditampilkan pada pengukur tekanan. |
1. Resistensi yang terlalu tinggi terhadap pipa pembuangan air; 2. Arah putaran salah; 3. Impeler tersumbat; 4. Kecepatan putaran tidak mencukupi. |
1. Periksa atau perpendek pipa; 2. Memperbaiki arah putaran mesin 3. Lepaskan; 4. Periksa tegangan suplai dan tingkatkan kecepatan |
| 4. Konsumsi tidak mencukupi atau tekanan terlalu rendah. |
1. Roda kerja atau pipa air masuk dan pipa air akhir ditutup 2. Terlalu banyak keausan karena cincin penyegel penyerapan ganda atau kerusakan pada roda kerja; 3. Kecepatan putaran di bawah nilai yang diberikan. |
1. Bersihkan roda kerja atau pipa; 2. Ganti; 3. Sesuaikan dengan nilai nominalnya. |
| 5. terlalu banyak konsumsi daya oleh pompa |
1. Kemasannya ditekan terlalu kencang; 2. Gesekan antara roda kerja dan cincin penyegel penyerapan ganda; 3. Konsumsinya terlalu besar. |
1. Melemahkannya; 2. Periksa alasan untuk menghilangkannya; 3. Kurangi bukaan katup |
| Kegagalan | Menyebabkan | pemecahan masalah |
| 6. Bunyi yang tidak biasa di dalam pompa, air tidak masuk ke dalam pompa. |
1. Hambatan pipa hisap terlalu besar; 2. Ketinggian penyerapan terlalu tinggi; 3. Udara tersedot ke dalam tempat penghisapan air 4. Suhu terlalu tinggi saat menyedot cairan; 5. Hilangnya uap terjadi karena konsumsi yang terlalu banyak. |
1. Siapkan pipa hisap dan katup bawah; 2. Turunkan; 3. Periksa katup bawah, kurangi ketinggian isap, tutup tempat kebocoran udara; 4. Pasang; 5. Sesuaikan pintu pembuangan air agar berfungsi pada rentang kinerja yang ditetapkan. |
| 7. Getaran pompa yang tidak normal. |
1. Dalam hal ini, terjadi kehilangan uap; 2. Roda kerja tidak seimbang; 3. Sumbu pompa dan mesin tidak konsentris; 4. Jepit rambut di kaki melemah |
1. Sesuaikan katup agar bekerja dalam rentang kinerja tertentu; 2. Ambil koreksi statis untuk roda kerja; 3. Konsentrisitas yang benar 4. Kencangkan |
| 8. Bantalan terlalu panas |
1. Kurangnya minyak di bagian dalam; 2. Sumbu pompa dan mesin tidak berada pada garis tengah yang sama |
1. Periksa dan bersihkan rumah bantalan, lumasi; 2. Perbaiki konsentrisitas sehingga keduanya berada pada garis tengah yang sama. |
| 1 | Tubuh pompa | 2 | isian asin | 3 | Kemasan | 4 | Cincin penyegel | 5 | Kopling kemasan | 6 | Lengan pengepakan | 7 | Batang |
| 8 | Penutup pompa | 9 | Roda kerja | 10 | Kunci |
11 | Cincin serapan ganda | 12 | Meredam dengan segel mekanis | 13 | Pencetakan mekanis | 14 | Segel minyak penyegelan mekanis |
| 15 | Gaet kopling | 16 | Segel minyak bantalan | 17 | Sekrup pengikat | 18 | Segel oli badan bantalan | 19 | Kotak bantalan | 20 | Bantalan bola pemusatan tiang tunggal | 21 | Merebut |
| Jenis pompa | Konsumsi Q. | Kepala (M) |
kecepatan (putaran/menit) |
Daya (KW) | Efisiensi % |
(NPSH)r (M) |
Berat (kg) |
||
| (m³/jam) | (L/dtk) | Kekuatan poros |
Mesin | ||||||
| 150S-100 |
120 160 192 |
33.3 44.4 53.3 |
103 100 92 |
2950 |
48.8 59.7 67.7 |
75 |
69 73 71 |
4.5 | 168 |
| 150S-78 |
126 160 198 |
35.0 44.4 55.0 |
84 78 70 |
2950 |
41.2 45.9 53.1 |
55 |
70 74 71 |
4.5 | 158 |
| 150S-78A |
112 140 180 |
31.1 39 50.0 |
65 60 53.5 |
2950 |
29.1 31.8 37.5 |
45 |
68 72 70 |
4.5 | 158 |
| 150S-50 |
130 160 220 |
36.1 44.4 61.1 |
52 50 40 |
2950 |
25.2 27.6 31.5 |
37 |
73 79 76 |
4.5 | 147 |
| 150S-50A |
112 140 180 |
31.1 38.9 50.0 |
42 39 34 |
2950 |
18.3 19.8 22.8 |
30 |
70 75 73 |
4.5 | 147 |
| 150S-50B |
108 133 160 |
30.0 36.9 44.4 |
38 36 32 |
2950 |
16.9 18.4 19.4 |
22 |
66 71 72 |
4.5 | 147 |
| 200S-95 |
200 280 324 |
55.6 77.8 90.0 |
102 95 85 |
2950 |
81.7 94.0 100.0 |
132 |
68 77 75 |
5 | 240 |
| 200S-95A |
180 268 310 |
50.0 74.4 86.1 |
95 87 78 |
2950 |
71.6 84.6 90.2 |
110 |
65 75 73 |
5 | 240 |
| 200S-95B |
165 245 298 |
45.8 68.1 82.8 |
81 72 60 |
2950 |
56.4 64.9 69.5 |
75 |
64.5 74 70 |
5 | 240 |
| 200S-63 |
216 280 351 |
60.0 77.8 97.5 |
70.4 63 52 |
2950 |
55.9 59.3 69.0 |
75 |
74 81 72 |
5 | 187 |
| 200S-63A |
186 270 332 |
51.7 75.0 92.2 |
56.5 48 38.5 |
2950 |
41.5 45.8 49.0 |
55 |
69 77 71 |
5 | 187 |
| 200S-42 |
216 280 342 |
60.0 77.8 95.0 |
48 42 35 |
2950 |
35.3 37.7 41.0 |
45 |
80 85 79.5 |
5 | 219 |
| 200S-42A |
198 270 310 |
55.0 75.0 86.1 |
43 36 31 |
2950 |
31.3 33.1 34.6 |
37 |
74 80 75.5 |
5 | 219 |
| 250S-65 |
360 485 612 |
100.0 134.7 170.0 |
70 65 54 |
1480 |
91.5 108.6 127.6 |
132 |
75 79 70.5 |
3.8 | 518 |
| 250an-65A |
300 420 535 |
83.3 116.7 148.6 |
53 48 40 |
1480 |
61.8 71.3 79.8 |
90 |
70 77 73 |
3.8 | 518 |
| 250S-39 |
360 485 612 |
100.0 134.7 170.0 |
43 39 32.5 |
1480 |
55.4 62.0 69.4 |
75 |
76 83 78 |
3.8 | 400 |
| 250-an-39a |
324 420 576 |
90.0 116.7 160.0 |
31.5 29 22 |
1480 |
38.6 42.5 48.6 |
55 |
72 78 71 |
3.8 | 400 |
| 250S-24 |
360 485 576 |
100.0 134.7 160.0 |
27 24 19 |
1480 |
33.1 36.8 36.3 |
45 |
80 86 82 |
3.8 | 305 |
| 250S-24A |
342 420 482 |
95.0 116.7 133.9 |
22 20 17 |
1480 |
25.9 27.6 27.9 |
37 |
79 83 80 |
3.8 | 305 |
| 250S-14 |
360 485 576 |
100.0 134.7 160.0 |
14 11 |
1480 |
20.8 21.7 22.1 |
30 |
80 85 78 |
3.8 | 305 |
| 250S-14A |
320 420 505 |
88.9 116.7 140.3 |
10 12 10 8.2 |
1480 |
13.2 14.1 14.5 |
18.5 |
79 81 78 |
3.8 | 305 |
| Jenis pompa | Konsumsi Q. | Kepala (M) |
Kecepatan (putaran/menit) |
Daya (KW) | Efisiensi % |
(NPSH)r (M) |
Berat (kg) |
||
| (m³/jam) | (L/dtk) | Kekuatan poros | Mesin | ||||||
| 300S-90 |
590 790 936 |
163.9 219.4 260.0 |
95 90 86 |
1480 |
224.4 251.4 277.4 |
315 |
68 77 79 |
4.8 | 950 |
| 300S-90A |
576 756 918 |
160.0 210.0 255.0 |
83 78 72 |
1480 |
200.2 216.9 239.9 |
280 |
65 74 75 |
4.8 | 950 |
| 300S-90B |
546 720 900 |
151.7 200.0 250.0 |
72 67 57 |
1480 |
169.9 185.0 194.0 |
220 |
63 71 72 |
4.8 | 950 |
| 300S-58 |
576 790 972 |
160.0 219.4 270.0 |
65 58 50 |
1480 |
135.9 148.5 165.4 |
185 |
75 84 80 |
4.8 | 599 |
| 300S-58A |
529 735 893 |
146.9 204.2 248.1 |
55 50 42 |
1480 |
110.0 122.0 129.2 |
160 |
72 82 79 |
4.8 | 599 |
| 300S-58B |
504 685 835 |
140.0 190.3 231.9 |
47.2 43 37 |
1480 |
91.2 100.2 109.2 |
132 |
71 80 77 |
4.8 | 599 |
| 300S-32 |
612 790 900 |
170.0 219.4 250.0 |
36.5 32 27.3 |
1480 |
74.2 79.1 83.6 |
90 |
82 87 80 |
4.8 | 709 |
| 300S-32A |
537 700 790 |
149.2 194.4 219.4 |
29 26 22.5 |
1480 |
53.7 59.0 62.0 |
75 |
79 84 78 |
4.8 | 709 |
| 300S-19 |
612 790 935 |
170.0 219.4 259.7 |
22 19 15.5 |
1480 |
45.8 48.4 52.6 |
55 |
80 84.5 75 |
4.8 | 434 |
| 300S-19A |
485 700 798 |
134.7 194.4 221.7 |
18 15 13 |
1480 |
32.1 35.7 37.2 |
45 |
74 80 76 |
4.8 | 434 |
| 300S-12 |
612 790 900 |
170.0 219.4 250.0 |
14.5 12 10 |
1480 |
30.2 31.1 33.1 |
37 |
80 83 74 |
4.8 | 413 |
| 300S-12A |
515 700 785 |
143.1 194.4 218.1 |
11.5 10 9 |
1480 |
22.4 24.4 25.6 |
30 |
72 78 75 |
4.8 | 413 |
| 350S-125 |
850 1260 1660 |
236.1 350.0 461.1 |
135 125 110 |
1480 |
446.3 542.7 685.6 |
710 |
70 79 72.5 |
5.5 | 1580 |
| 350S-125A |
787 1181 1550 |
218.6 328.1 430.6 |
121 112 100 |
1480 |
381.2 461.6 594.3 |
630 |
68 78 71 |
5.5 | 1580 |
| 350S-125B |
700 1098 1350 |
194.4 305.0 375.0 |
104 96 89 |
1480 |
300.3 372.7 448.0 |
500 |
66 77 73 |
5.5 | 1580 |
| 350S-75 |
972 1260 1440 |
270.0 350.0 400.0 |
80 75 69 |
1480 |
264.6 302.6 329.9 |
355 |
80 85 82 |
5.5 | 1200 |
| 350an-75a |
900 1170 1332 |
250.0 325.0 370.0 |
70 65 60 |
1480 |
219.9 252.5 275.4 |
315 |
78 82 79 |
5.5 | 1200 |
| 350an-75B |
800 1080 1200 |
222.2 300.0 333.3 |
60 55 52 |
1480 |
174.2 204.7 220.6 |
280 |
75 79 77 |
5.5 | 1200 |
| 350S-44 |
972 1260 1476 |
270.0 350.0 410.0 |
50 44 37 |
1480 |
163.3 177.6 188.2 |
220 |
81 85 79 |
5.5 | 1105 |
| 350S-44A |
876 1116 1360 |
243.3 310.0 377.8 |
41 36 30 |
1480 |
123.8 131.8 140.6 |
160 |
79 83 79 |
5.5 | 1105 |
| 350S-26 |
972 1260 1440 |
270.0 350.0 400.0 |
29 26 22 |
1480 |
93.6 101.3 102.7 |
132 |
82 88 84 |
5.5 | 672 |
| Jenis pompa | Konsumsi Q. | Kepala (M) |
Kecepatan (putaran/menit) |
Daya (KW) | Efisiensi % |
(NPSH)r (M) |
Berat (kg) |
||
| (m³/jam) | (L/dtk) | Kekuatan poros | Mesin | ||||||
| 350an-26A |
840 1130 1260 |
233.3 313.9 350.0 |
24 21 19 |
1480 |
70.4 77.8 81.5 |
90 |
78 83 80 |
5.5 | 672 |
| 350S-16 |
960 1260 1440 |
266.7 350.0 400.0 |
19.5 16 13 |
1480 |
61.4 63.8 67.9 |
75 |
83 86 75 |
5.5 | 632 |
| 350S-16A |
800 1130 1340 |
222.2 313.9 372.2 |
15 12 9.5 |
1480 |
42.4 45.6 48.1 |
55 |
77 81 72 |
5.5 | 632 |
| 400S-90 |
1140 1620 1980 |
316.7 450.0 550.0 |
102 90 78 |
1480 |
403.2 461.5 512.7 |
560 |
78.5 86 82 |
7.9 | 1450 |
| 400S-90A |
1020 1460 1850 |
283.3 405.6 5139 |
89 78 66 |
1480 |
320.9 369.1 415.5 |
450 |
77 84 80 |
7.9 | 1450 |
| 400S-90B |
960 1330 1720 |
266.7 369.4 477.8 |
78 68 56 |
1480 |
268.2 300.2 336.2 |
400 |
76 82 78 |
7.9 | 1450 |
| 400S-40 |
800 1080 1320 |
222.2 300.0 366.7 |
45 40 32 |
970 |
124.1 140.0 149.3 |
185 |
79 84 77 |
4.9 | 1800 |
| 400S-40A |
720 960 1150 |
200.0 266.7 319.4 |
39.5 35 29.5 |
970 |
100.5 111.5 121.5 |
160 |
77 82 76 |
4.9 | 1800 |
| 500S-98 |
1620 2020 2340 |
450.0 561.1 650.0 |
104.5 98 92 |
970 |
598.5 673.6 741.8 |
800 |
77 80 79 |
6 | 2360 |
| 500S-98A |
1500 1872 2170 |
416.7 520.0 602.8 |
88 83 77 |
970 |
479.1 535.4 583.1 |
630 |
75 79 78 |
6 | 2360 |
| 500S-98B |
1400 1746 2020 |
388.9 485.0 561.1 |
79 74 71 |
970 |
401.4 448.1 500.5 |
560 |
75 78.5 78 |
6 | 2360 |
| 500S-59 |
1620 2020 2340 |
450.0 561.1 650.0 |
64 59 53 |
970 |
357.3 390.9 422.0 |
450 |
79 83 80 |
6 | 2150 |
| 500S-59A |
1500 1872 2170 |
416.7 520.0 602.8 |
53 49 45 |
970 |
288.6 316.1 345.2 |
400 |
75 79 77 |
6 | 2150 |
| 500S-59B |
1400 1746 2020 |
388.9 485.0 561.1 |
43 40 36.5 |
970 |
227.6 250.2 267.6 |
315 |
72 76 75 |
6 | 2150 |
| 500S-35 |
1620 2020 2340 |
450.0 561.1 650.0 |
40 35 30.5 |
970 |
207.5 218.7 228.6 |
280 |
85 88 85 |
6 | 1600 |
| 500S-35A |
1400 1746 2020 |
388.9 485.0 561.1 |
30 27 24 |
970 |
139.4 151.0 159.0 |
220 |
82 85 83 |
6 | 1600 |
| 500S-22 |
1620 2020 2340 |
450.0 561.1 650.0 |
24.5 22 19.4 |
970 |
136.8 144.0 145.4 |
160 |
79 84 85 |
6 | 1722 |
| 500S-22A |
1400 1746 2020 |
388.9 485.0 561.1 |
19 17 15 |
970 |
97.9 101.0 101.8 |
132 |
74 80 81 |
6 | 1722 |
| 500S-13 |
1620 2020 2340 |
450.0 561.1 650.0 |
15 13 10 |
970 |
82.7 86.1 81.7 |
110 |
80 83 78 |
6 | 1730 |
| 600S-100 |
2160 3170 3600 |
600.0 880.6 1000.0 |
110 100 92 |
970 |
829.2 1015.2 1073.3 |
1400 |
78 85 84 |
6 | 7200 |
| 600S-100A |
1980 3000 3240 |
550.0 833.3 900.0 |
100 90 85 |
970 |
700.0 875.0 914.3 |
1120 |
77 84 82 |
6 | 7200 |
| Jenis pompa | Konsumsi Q. | Kepala (M) |
Kecepatan (putaran/menit) |
Daya (KW) | Efisiensi % |
(NPSH)r (M) |
Berat (kg) |
||
| (m³/jam) | (L/dtk) | Kekuatan poros | Mesin | ||||||
| 600S-100B |
1800 2830 3060 |
500.0 786.1 850.0 |
90 80 75 |
970 |
588.0 751.6 780.9 |
1000 |
75 82 80 |
6 | 7200 |
| 600S-75 |
2160 3170 3600 |
600.0 880.6 1000.0 |
84 75 68 |
970 |
633.2 761.4 802.9 |
900 |
78 85 83 |
7.5 | 2600 |
| 600S-75A |
1980 2880 3240 |
550.0 800.0 900.0 |
68 62 58 |
970 |
488.7 607.6 655.8 |
800 |
75 80 78 |
7.5 | 2600 |
| 600S-75B |
1750 2650 3150 |
486.1 736.1 875.0 |
60 55 50 |
970 |
408.3 508.7 579.4 |
630 |
70 78 74 |
7.5 | 2600 |
| 600S-47 |
2160 3170 3600 |
600.0 880.6 1000.0 |
54 47 43 |
970 |
401.9 460.9 507.7 |
560 |
79 88 83 |
7.5 | 2800 |
| 600S-47A |
1980 2920 3240 |
550.0 811.1 900.0 |
45 40 37 |
970 |
311.0 369.7 398.0 |
450 |
78 82 |
7.5 | 2800 |
| 600S-32 |
2160 3170 3600 |
600.0 880.6 1000.0 |
36 32 29 |
970 |
271.4 313.8 334.4 |
400 |
78 88 85 |
7.5 | 2300 |
| 600S-32A |
2000 2880 3240 |
555.6 800.0 900.0 |
30 27 25 |
970 |
214.9 246.1 262.5 |
280 |
76 86 84 |
7.5 | 2300 |
| 600S-32B |
1800 2628 3000 |
500.0 730.0 833.3 |
24.5 22 20 |
970 |
164.5 187.4 199.2 |
250 |
73 84 82 |
7.5 | 2300 |
| 600S-22 |
2520 3170 3600 |
700.0 880.6 1000.0 |
25 22 19 |
970 |
204.2 215.7 227.1 |
250 |
84 88 82 |
7 | 2300 |
| 600S-22A |
2160 2880 3240 |
600.0 800.0 900.0 |
21 18 16 |
970 |
152.4 162.2 170.0 |
185 |
81 87 83 |
7 | 2300 |
| 800S-22 |
4320 5500 6480 |
1200.0 1527.8 1800.0 |
25 22 19 |
730 |
358.5 370.1 389.7 |
450 |
82 89 86 |
7 | 3800 |
|
3000 4400 5040 |
8333 1222.2 1400.0 |
16 14 12.5 |
585 |
163.3 190.6 201.8 |
250 |
80 88 85 |
5 | 3800 | |
| 800S-22A |
3960 4830 5500 |
1100.0 1341.7 1527.8 |
19 17 15 |
730 |
246.8 254.0 261.1 |
315 |
83 88 86 |
7 | 3800 |
|
2800 3870 4500 |
777.8 1075.0 1250.0 |
12.5 11 9.5 |
585 |
119.1 133.2 138.5 |
185 |
80 87 84 |
5 | 3800 | |
| 800S-32 |
4320 5500 6480 |
1200.0 1527.8 1800.0 |
35 32 29 |
730 |
502.0 538.3 588.0 |
630 |
82 89 87 |
7 | 4900 |
|
3000 4400 5200 |
833.3 12222 1444.4 |
23 20 17 |
585 |
234.8 272.2 283.1 |
315 |
80 88 85 |
4.5 | 4900 | |
| 800S-32A |
3500 4950 6000 |
972.2 1375.0 1666.7 |
29.5 26 23 |
730 |
351.3 398.1 436.8 |
500 |
80 88 86 |
7 | 4900 |
|
2700 3960 4680 |
750.0 1100.0 1300.0 |
19 16.5 14 |
585 |
174.6 204.4 212.3 |
250 |
80 87 84 |
4.5 | 4900 | |
| 800S-47 |
4320 5500 6480 |
1200.0 1527.8 1800.0 |
51 47 42 |
730 |
722.6 781.9 841.9 |
1000 |
83 90 88 |
6.5 | 5000 |
|
3000 4400 5200 |
833.3 1222.2 1444.4 |
35 30 26 |
585 |
357.3 403.7 428.0 |
500 |
80 89 86 |
4 | 5000 | |
| 800-an-47a |
3500 5070 6000 |
972.2 1408.3 1666.7 |
45 40 36 |
730 |
529.3 620.3 683.7 |
710 |
81 89 86 |
6.5 | 5000 |
|
2800 4060 4800 |
777.8 1127.8 1333.3 |
30 25 22 |
585 |
285.8 314.0 334.3 |
355 |
80 88 86 |
4 | 5000 | |
| Jenis pompa | Konsumsi Q. |
Kepala (M) |
Kecepatan (putaran/menit) |
Daya (KW) | Efisiensi % |
(NPSH)r (M) |
Berat (kg) |
||
| (m³/jam) | (L/dtk) | Kekuatan poros | Mesin | ||||||
| 800S-70 |
6100 8100 9300 |
1694.4 2250.0 2583.3 |
90 83 75 |
730 |
1868.1 2153.1 2260.4 |
2500 |
80 85 84 |
9 | 8000 |
| 800S-70A |
5800 7700 8800 |
1611.1 2138.9 2444.4 |
82 75 68.5 |
730 |
1628.5 1871.5 2001.2 |
2240 |
79.5 84 82 |
9 | 8000 |
| 800S-70B |
5500 7300 8400 |
1527.8 2027.8 2333.3 |
73.5 68 62 |
730 |
1393.0 1628.1 1772.2 |
1800 |
79 83 80 |
9 | 8000 |
| 800S-76 |
4000 5500 6500 |
1111.1 1527.8 1805.6 |
80 76 71 |
730 |
1102.7 1293.1 1444.0 |
1600 |
79 88 87 |
6 | 7550 |
|
3000 4400 5500 |
833.3 1222.2 1527.8 |
54 49 43 |
585 |
551.3 674.6 757.4 |
800 |
80 87 85 |
4 | 7550 | |
| 800S-76A |
3500 5080 6000 |
972.2 1411.1 1666.7 |
69 65 61 |
730 |
832.2 1033.2 1186.1 |
1250 |
79 87 84 |
6 | 7550 |
|
2800 4070 5000 |
777.8 1130.6 1388.9 |
46.5 42 37 |
585 |
448.6 541.1 606.8 |
630 |
79 86 83 |
4 | 7550 | |
| 800S-76B |
3000 4680 5500 |
833.3 1300.0 1527.8 |
59 55 51 |
730 |
642.4 824.4 920.0 |
1000 |
75 85 83 |
6 | 7550 |
|
2500 3750 4500 |
694.4 1041.7 1250.0 |
39 35 31 |
585 |
349.2 425.3 468.8 |
500 |
76 84 81 |
4 | 7550 | |
| 800S-105 |
3850 5500 6600 |
1069.4 1527.8 1833.3 |
110 105 100 |
730 |
1441.1 1807.0 2089.1 |
2500 |
80 87 86 |
6.5 | 8000 |
| 900S-23 |
6200 8280 9432 |
1722.2 2300.0 2620.0 |
28 23 19.5 |
730 |
590.7 602.8 610.6 |
710 |
80 86 82 |
9.3 | 6000 |
| 1000S-36 |
7920 9900 11380 |
2200.0 2750.0 3161.1 |
40 36 33 |
495 |
1039.0 1102.5 1202.7 |
1250 |
83 88 85 |
7.8 | 13000 |
| 1200S-24 |
8400 12000 14400 |
2333.3 3333.3 4000.0 |
28 24 18.5 |
590 |
748.8 901.1 906.5 |
1250 |
85.5 87 80 |
7.7 | 9000 |
| 1200S-39 |
7200 9000 10800 |
2000.0 2500.0 3000.0 |
42.5 39 33 |
500 |
1015.9 1085.8 1155.0 |
1250 |
82 88 84 |
5.5 | - |
| 1200-an-39a |
6480 8100 9720 |
1800.0 2250.0 2700.0 |
38.5 35 29.5 |
500 |
848.9 892.2 940.4 |
1120 |
80 86.5 83 |
5.5 | - |
| 1200-an-39B |
5832 7290 8748 |
1620.0 2025.0 2430.0 |
34 31 26 |
500 |
674.7 715.3 755.1 |
900 |
80 86 82 |
5.5 | - |
| 1200an-56 |
8640 10800 12960 |
2400.0 3000.0 3600.0 |
60 56 49 |
600 |
1721.0 1870.9 2033.8 |
2240 |
82 88 85 |
7.5 | - |
| 1200S-56A |
7776 9720 11664 |
2160.0 2700.0 3240.0 |
54 50 42 |
600 |
1411.2 1520.7 1606.7 |
2000 |
81 87 83 |
7.5 | - |
| 1200S-56B |
7000 8750 10500 |
1944.4 2430.6 2916.7 |
48 44 27/3 |
600 |
1143.3 1218.7 1289.7 |
1600 |
80 86 82 |
7.5 | - |
| 1200S-76 |
8640 10800 12960 |
2400.0 3000.0 3600.0 |
81.5 76 65 |
730 |
2216.0 2482.7 2620.8 |
2800 |
86.5 90 87.5 |
9 | 13000 |
| 1200S-76A |
7776 9720 11664 |
2160.0 2700.0 3240.0 |
6a 0+ 55 |
730 |
1703.5 1924.4 2054.5 |
2240 |
84.5 88 85 |
9 | 13000 |
| 1200S-76B |
7000 8750 10500 |
1944.4 2430.6 2916.7 |
55 52 45 |
730 |
1270.4 1440.2 1531.3 |
1600 |
82.5 86 84 |
9 | 13000 |
| Jenis | Dimensi gambar pompa | Dimensi flensa masukan | Dimensi flensa keluaran | |||||||||||||||||||||||||
| L | L1 | L2 | L3 | L4 | B | B1 | B2 | B3 | B3' | B4 | B4' | H | H1 | H2 | H3 | H4 | 4-φd | Dg1 | Lakukan1 | D1 | B1 | n-φd1 | DG2 | Lakukan2 | D2 | B2 | n-φd2 | |
| 150S-100 | 740.5 | 410 | 330 | 280 | 190 | 550 | 250 | 330 | 280 | — | 190 | — | 490 | 285 | 25 | 140 | 170 | 4-F18 | 150 | 240 | 285 | 26 | 8-F23 | 100 | 180 | 220 | 24 | 8-F19 |
| 150S-78 | 713.5 | 397 | 330 | 280 | 190 | 550 | 250 | 330 | 280 | — | 190 | — | 472.5 | 285 | 25 | 140 | 155 | 4-F18 | 150 | 240 | 285 | 26 | 8-F23 | 100 | 180 | 220 | 24 | 8-F19 |
| 150S-78A | ||||||||||||||||||||||||||||
| 150S-50 | 713.5 | 397 | 330 | 280 | 190 | 550 | 250 | 330 | 280 | — | 190 | — | 455 | 285 | 25 | 140 | 140 | 4-F18 | 150 | 240 | 285 | 26 | 8-F23 | 100 | 180 | 220 | 24 | 8-F19 |
| 150S-50A | ||||||||||||||||||||||||||||
| 150S-50B | ||||||||||||||||||||||||||||
| 200S-95 | 850.5 | 475 | 330 | 280 | 190 | 680 | 330 | 330 | 280 | — | 190 | — | 555 | 355 | 25 | 170 | 170 | 4-F18 | 200 | 295 | 340 | 24 | 8-F23 | 125 | 210 | 250 | 22 | 8-F19 |
| 200S-95A | ||||||||||||||||||||||||||||
| 200S-95B | ||||||||||||||||||||||||||||
| 200S-63 | 743.5 | 409 | 330 | 280 | 190 | 620 | 300 | 330 | 280 | — | 190 | — | 547 | 355 | 25 | 170 | 170 | 4-F18 | 200 | 295 | 340 | 24 | 8-F23 | 150 | 240 | 285 | 24 | 8-F23 |
| 200S-63A | ||||||||||||||||||||||||||||
| 200S-42 | 743.5 | 409 | 330 | 280 | 190 | 620 | 300 | 330 | 280 | — | 190 | — | 547 | 355 | 25 | 170 | 170 | 4-F18 | 200 | 295 | 340 | 24 | 8-F23 | 150 | 240 | 285 | 24 | 8-F23 |
| 200S-42A | ||||||||||||||||||||||||||||
| 250S-65 | 1100.5 | 612 | 510 | 450 | 330 | 880 | 400 | 620 | 550 | — | 430 | — | 856 | 510 | 40 | 240 | 300 | 4-F27 | 250 | 350 | 395 | 28 | 12-F23 | 150 | 240 | 285 | 26 | 8-F23 |
| 250an-65A | ||||||||||||||||||||||||||||
| 250S-39 | 983.5 | 549 | 410 | 350 | 230 | 890 | 440 | 510 | 450 | — | 330 | — | 750 | 450 | 30 | 200 | 260 | 4-F27 | 250 | 350 | 395 | 28 | 12-F23 | 200 | 295 | 340 | 26 | 8-F23 |
| 250-an-39a | ||||||||||||||||||||||||||||
| 250S-24 | 983.5 | 517 | 410 | 350 | 230 | 850 | 400 | 510 | 450 | — | 330 | — | 738 | 4450 | 30 | 210 | 215 | 4-F27 | 250 | 350 | 395 | 28 | 12-F23 | 200 | 295 | 340 | 26 | 8-F23 |
| 250S-24A | ||||||||||||||||||||||||||||
| 250S-14 | 892.5 | 485 | 410 | 350 | 230 | 745 | 330 | 510 | 450 | — | 330 | — | 709 | 450 | 30 | 210 | 215 | 4-F27 | 250 | 350 | 395 | 28 | 12-F23 | 200 | 295 | 340 | 26 | 8-F23 |
| 250S-14A | ||||||||||||||||||||||||||||
| Jenis | Dimensi gambar pompa | Dimensi flensa masukan | Dimensi flensa keluaran | |||||||||||||||||||||||||
| L | L1 | L2 | L3 | L4 | B | B1 | B2 | B3 | B3' | B4 | B4' | H | H1 | H2 | H4 | 4-φd | Dg1 | Lakukan1 | D1 | B1 | n-φd1 | DG2 | Lakukan2 | D2 | B2 | n-φd2 | ||
| 300S-90 | 1185 | 660 | 510 | 450 | 330 | 1046 | 470 | 620 | 550 | — | 420 | — | 898 | 510 | 40 | 268 | 325 | 4-F27 | 300 | 400 | 440 | 28 | 12-F23 | 200 | 295 | 340 | 26 | 8-F23 |
| 300S-90A | ||||||||||||||||||||||||||||
| 300S-90B | ||||||||||||||||||||||||||||
| 300S-58 | 1140 | 630 | 510 | 450 | 330 | 1070 | 530 | 620 | 550 | — | 430 | — | 852 | 510 | 40 | 240 | 310 | 4-F27 | 300 | 400 | 445 | 28 | 12-F23 | 250 | 350 | 395 | 28 | 12-F23 |
| 300S-58A | ||||||||||||||||||||||||||||
| 300S-58B | ||||||||||||||||||||||||||||
| 300S-32 | 1100 | 605 | 510 | 450 | 330 | 880 | 410 | 620 | 550 | — | 430 | — | 824 | 510 | 40 | 260 | 270 | 4-F27 | 300 | 400 | 445 | 28 | 12-F23 | 250 | 350 | 395 | 28 | 12-F23 |
| 300S-32A | ||||||||||||||||||||||||||||
| 300S-19 | 978.5 | 537 | 510 | 450 | 330 | 900 | 400 | 620 | 550 | — | 430 | — | 808 | 510 | 40 | 250 | 260 | 4-F27 | 300 | 400 | 445 | 28 | 12-F23 | 250 | 350 | 395 | 28 | 12-F23 |
| 300S-19A | ||||||||||||||||||||||||||||
| 300S-12 | 1009 | 552 | 510 | 450 | 330 | 1000 | 500 | 620 | 550 | — | 430 | — | 808 | 510 | 40 | 265 | 265 | 4-F27 | 300 | 400 | 445 | 28 | 12-F23 | 300 | 400 | 445 | 28 | 12-F23 |
| 300S-12A | ||||||||||||||||||||||||||||
| 350S-125 | 1431 | 801 | 580 | 500 | 360 | 1210 | 550 | 680 | 600 | — | 450 | — | 1080 | 620 | 50 | 330 | 410 | 4-F34 | 350 | 460 | 505 | 30 | 16-F23 | 200 | 295 | 340 | 26 | 12-F23 |
| 350S-125A | ||||||||||||||||||||||||||||
| 350S-125B | ||||||||||||||||||||||||||||
| 350S-75 | 1272 | 710 | 600 | 500 | 360 | 1250 | 600 | 690 | 600 | — | 450 | — | 1017 | 620 | 50 | 274 | 356 | 4-F34 | 350 | 460 | 505 | 30 | 16-F23 | 250 | 350 | 395 | 28 | 12-F23 |
| 350an-75a | ||||||||||||||||||||||||||||
| 350an-75B | ||||||||||||||||||||||||||||
| 350S-44 | 1233 | 675 | 580 | 500 | 360 | 1040 | 460 | 680 | 600 | — | 450 | — | 980 | 620 | 50 | 290 | 300 | 4-F34 | 350 | 460 | 505 | 30 | 16-F23 | 300 | 400 | 445 | 28 | 12-F23 |
| 350S-44A | ||||||||||||||||||||||||||||
| 350S-26 | 1171 | 642 | 580 | 500 | 360 | 1040 | 460 | 680 | 600 | — | 450 | — | 963 | 620 | 50 | 290 | 300 | 4-F34 | 350 | 460 | 505 | 30 | 16-F23 | 300 | 400 | 445 | 28 | 12-F23 |
| 350an-26A | ||||||||||||||||||||||||||||
| 350S-16 | 1129 | 622 | 580 | 500 | 360 | 1168 | 584 | 680 | 600 | — | 450 | — | 970 | 620 | 50 | 310 | 310 | 4-F34 | 350 | 460 | 505 | 30 | 16-F23 | 350 | 460 | 505 | 30 | 16-F23 |
| 350S-16A | ||||||||||||||||||||||||||||
| Jenis | Dimensi gambar pompa | Dimensi flensa masukan | Dimensi flensa keluaran | |||||||||||||||||||||||||
| L | L1 | L2 | L3 | L4 | B | B1 | B2 | B3 | B3' | B4 | B4' | H | H1 | H2 | H3 | H4 | 4-φd | Dg1 | Lakukan1 | D1 | B1 | n-φd1 | DG2 | Lakukan2 | D2 | B2 | n-φd2 | |
| 400S-90 | 1747 | 907 | 820 | 700 | 480 | 1645 | 900 | 900 | 700 | — | 500 | — | 1130 | 670 | 40 | 372 | 482 | 4-F35 | 400 | 515 | 565 | 32 | 16-F28 | 350 | 460 | 505 | 30 | 16-F23 |
| 400S-90A | ||||||||||||||||||||||||||||
| 400S-90B | ||||||||||||||||||||||||||||
| 400S-40 | 1747 | 907 | 820 | 700 | 480 | 1645 | 900 | 900 | 700 | — | 500 | — | 1130 | 670 | 40 | 372 | 482 | 4-F35 | 400 | 515 | 565 | 32 | 16-F28 | 350 | 460 | 505 | 30 | 16-F23 |
| 400S-40A | ||||||||||||||||||||||||||||
| 500S-98 | 1639.5 | 912 | 760 | 580 | 420 | 1550 | 750 | 1020 | 800 | — | 580 | — | 1381 | 800 | 55 | 425 | 545 | 4-F41 | 500 | 620 | 670 | 34 | 20-F28 | 300 | 410 | 460 | 32 | 12-F28 |
| 500S-98A | ||||||||||||||||||||||||||||
| 500S-98B | ||||||||||||||||||||||||||||
| 500S-59 | 1639.5 | 907 | 760 | 580 | 420 | 1640 | 810 | 1020 | 800 | — | 580 | — | 1300 | 800 | 55 | 370 | 480 | 4-F41 | 500 | 620 | 670 | 34 | 20-F28 | 350 | 460 | 505 | 30 | 16-F23 |
| 500S-59A | ||||||||||||||||||||||||||||
| 500S-59B | ||||||||||||||||||||||||||||
| 500S-35 | 1363.5 | 756 | 760 | 580 | 420 | 1350 | 630 | 1020 | 800 | — | 580 | — | 1270 | 800 | 55 | 415 | 415 | 4-F41 | 500 | 620 | 670 | 34 | 20-F28 | 350 | 460 | 505 | 30 | 16-F23 |
| 500S-35A | ||||||||||||||||||||||||||||
| 500S-22 | 1396.5 | 770 | 760 | 580 | 420 | 1460 | 640 | 1020 | 800 | — | 580 | — | 1266 | 800 | 55 | 410 | 410 | 4-F41 | 500 | 620 | 670 | 34 | 20-F28 | 400 | 515 | 565 | 32 | 16-F28 |
| 500S-22A | ||||||||||||||||||||||||||||
| 500S-13 | 1308.5 | 714.5 | 760 | 580 | 420 | 1550 | 775 | 1020 | 800 | — | 580 | — | 1251 | 800 | 55 | 410 | 410 | 4-F41 | 500 | 620 | 670 | 34 | 20-F28 | 500 | 620 | 670 | 34 | 20-F28 |
| 600S-100 | 1935 | 1100 | 960 | 760 | 560 | 1900 | 900 | 1300 | 1000 | — | 700 | — | 1610 | 950 | 55 | 530 | 590 | 4-F42 | 600 | 725 | 780 | 36 | 20-F31 | 400 | 525 | 580 | 38 | 16-F31 |
| 600S-100A | ||||||||||||||||||||||||||||
| 600S-100B | ||||||||||||||||||||||||||||
| 600S-75 | 1694.5 | 940 | 940 | 760 | 600 | 1900 | 940 | 1020 | 800 | — | 580 | — | 1550 | 950 | 55 | 425 | 555 | 4-F41 | 600 | 725 | 780 | 36 | 20-F31 | 400 | 515 | 565 | 32 | 16-F28 |
| 600S-75A | ||||||||||||||||||||||||||||
| 600S-47 | 1694.5 | 940 | 940 | 760 | 600 | 1595 | 745 | 1020 | 800 | — | 580 | — | 1505 | 950 | 55 | 490 | 490 | 4-F41 | 600 | 725 | 780 | 36 | 20-F31 | 400 | 515 | 565 | 32 | 16-F28 |
| Jenis | Dimensi gambar pompa | Dimensi flensa masukan | Dimensi flensa keluaran | |||||||||||||||||||||||||
| L | L1 | L2 | L3 | L4 | B | B1 | B2 | B3 | B3' | B4 | B4' | H | H1 | H2 | H3 | H4 | 4-φd | Dg1 | Lakukan1 | D1 | B1 | n-φd1 | DG2 | Lakukan2 | D2 | B2 | n-φd2 | |
| 600S-32 | 1627.5 | 900 | 940 | 760 | 600 | 1600 | 750 | 1020 | 800 | — | 580 | — | 1490 | 950 | 55 | 480 | 480 | 4-F41 | 600 | 725 | 780 | 36 | 20-F31 | 500 | 620 | 670 | 34 | 20-F28 |
| 600S-32A | ||||||||||||||||||||||||||||
| 600S-32B | ||||||||||||||||||||||||||||
| 600S-22 | 1466.5 | 805 | 940 | 760 | 600 | 1790 | 840 | 1020 | 800 | — | 580 | — | 1476 | 950 | 55 | 460 | 460 | 4-F41 | 600 | 725 | 780 | 36 | 20-F31 | 500 | 620 | 670 | 34 | 20-F28 |
| 600S-22A | ||||||||||||||||||||||||||||
| 800S-105 | 2435 | 1367.5 | 1300 | 1000 | 700 | 2400 | 1100 | 1700 | 1350 | — | 1000 | — | 2190 | 1250 | 55 | 700 | 800 | 4-F58 | 800 | 950 | 1015 | 44 | 24-F33 | 600 | 770 | 840 | 48 | 20-F37 |
| 800S-76 | 2271 | 1270 | 1300 | 1000 | 700 | 2350 | 1150 | 1700 | 1350 | — | 1000 | — | 2105 | 1250 | 55 | 700 | 745 | 4-F58 | 800 | 950 | 1015 | 44 | 24-F33 | 600 | 725 | 780 | 36 | 20-F30 |
| 800S-70 | 2550 | 1445 | 1300 | 1000 | 700 | 2385 | 1100 | 1700 | 1350 | — | 1000 | — | 2200 | 1250 | 55 | 700 | 880 | 4-F58 | 800 | 950 | 1015 | 44 | 24-F34 | 600 | 725 | 780 | 36 | 20-F31 |
| 800S-47 | 2315 | 1300 | 1200 | 1000 | 800 | 2025 | 875 | 1200 | 900 | 600 | 2074 | 1200 | 55 | 660 | 660 | 4-F42 | 800 | 950 | 1015 | 44 | 24-F33 | 600 | 725 | 780 | 36 | 20-F30 | ||
| 800S-32 | 3750 | 2050 | 1200 | 1000 | 800 | 2150 | 1000 | 1200 | 900 | — | 600 | — | 2044 | 1200 | 55 | 660 | 660 | 4-F42 | 800 | 950 | 1015 | 44 | 24-F33 | 600 | 725 | 780 | 36 | 20-F30 |
| 800S-22 | 2100 | 1244 | 1200 | 1000 | 800 | 2150 | 1000 | 1200 | 900 | — | 600 | — | 2014 | 1200 | 55 | 660 | 660 | 4-F42 | 800 | 950 | 1015 | 44 | 24-F33 | 600 | 725 | 780 | 36 | 20-F30 |
| 900S-23 | 2730 | 1350 | 1200 | 1000 | 700 | 2400 | 840 | 1200 | 900 | — | 600 | — | 2400 | 1400 | 60 | 840 | 760 | 4-F42 | 900 | 1050 | 1115 | 44 | 28-F34 | 700 | 840 | 895 | 40 | 24-F31 |
| 1000S-36 | 3550 | 2000 | 1550 | 1400 | 1000 | 2900 | 1360 | 1900 | 1200 | — | 900 | — | 2750 | 1600 | 70 | 860 | 760 | 4-F42 | 1000 | 1160 | 1230 | 50 | 28-F37 | 800 | 950 | 1015 | 44 | 24-F34 |
| Jenis | Dimensi gambar pompa | Dimensi flensa masukan | Dimensi flensa keluaran | ||||||||||||||||||||||||||||
| L | L1 | L2 | L3 | L4 | B | B1 | B2 | B2' | B3 | B3' | B4 | B4' | B5 | B5' | H | H1 | H2 | H3 | H4 | 4-φd | Dg1 | Lakukan1 | D1 | B1 | n-φd1 | DG2 | Lakukan2 | D2 | B2 | n-φd2 | |
| 1200S-24 | 2480 | 1370 | 1450 | 1200 | 950 | 3000 | 1400 | 1000 | 1000 | 700 | 700 | 600 | 600 | 200 | 200 | 2700 | 1700 | 60 | 850 | 975 | 8-F42 | 1200 | 1380 | 1455 | 56 | 32-F40 | 1000 | 1160 | 1230 | 50 | 28-F37 |
| 1200S-39 | 3295 | 1700 | 1680 | 1250 | 900 | 2800 | 1250 | 1100 | 1100 | 875 | 875 | 790 | 790 | 150 | 150 | 2700 | 1650 | 80 | 870 | 1020 | 8-F48 | 1200 | 1380 | 1455 | 56 | 32-F40 | 1000 | 1160 | 1230 | 50 | 28-F37 |
| 1200-an-39a | |||||||||||||||||||||||||||||||
| 1200-an-39B | |||||||||||||||||||||||||||||||
| 1200an-56 | 3295 | 1700 | 1680 | 1250 | 900 | 2800 | 1250 | 1100 | 1100 | 875 | 875 | 790 | 790 | 150 | 150 | 2700 | 1650 | 80 | 870 | 1020 | 8-F48 | 1200 | 1380 | 1455 | 56 | 32-F40 | 1000 | 1160 | 1230 | 50 | 28-F37 |
| 1200S-56A | |||||||||||||||||||||||||||||||
| 1200S-56B | |||||||||||||||||||||||||||||||
| 1200S-76 | 2840 | 1500 | 1750 | 1500 | 1250 | 2800 | 1250 | 1100 | 900 | 850 | 650 | 750 | 550 | 150 | 150 | 2700 | 1650 | 80 | 870 | 950 | 8-F48 | 1200 | 1380 | 1455 | 56 | 32-F40 | 1000 | 1160 | 1230 | 50 | 28-F37 |
| 1200S-76A | |||||||||||||||||||||||||||||||
| 1200S-76B | |||||||||||||||||||||||||||||||
| Jenis | C | Mesin | Ukuran mesin | Ukuran pondasi |
E | H1 | L | t | Flensa pipa mulia | |||||||||||||
| Jenis mesin | Kekuatan (KW) |
Voltase (V) |
L1 | h | H | L2 | L3 | L4 | P | B | n1-φd1 | D2 | Lakukan2 | DG2 | B2 | n2-φd2 | ||||||
| 150S-100 | 4 | Y280S-2 | 75 | 380 | 1000 | 640 | 280 | 550 | 550 | 1375 | 75 | 457 | 6-F20 | 300 | 425 | 1723 | 350 | 150 | 280 | 240 | 24 | 8-F23 |
| 150S-78 | 4 | Y250M-2 | 55 | 380 | 930 | 575 | 250 | 520 | 520 | 1294 | 75 | 406 | 6-F20 | 300 | 425 | 1640 | 350 | 150 | 280 | 240 | 24 | 8-F23 |
| 150S-78A | 4 | Y225M-2 | 45 | 380 | 815 | 530 | 225 | 480 | 480 | 1195 | 356 | 1525 | ||||||||||
| 150S-50 | 4 | Y200L2-2 | 37 | 380 | 775 | 475 | 200 | 470 | 470 | 1170 | 100 | 380 | 6-F20 | 300 | 425 | 1484 | 350 | 150 | 280 | 240 | 24 | 8-F23 |
| 150S-50A | 4 | Y200L1-2 | 30 | 380 | 775 | 475 | 200 | 470 | 470 | 1170 | 1484 | |||||||||||
| 150S-50B | 4 | Y180M-2 | 22 | 380 | 670 | 430 | 180 | 450 | 450 | 1095 | 1379 | |||||||||||
| 200S-63 | 4 | Y280S-2 | 75 | 380 | 1000 | 640 | 280 | 570 | 570 | 1372 | 75 | 457 | 6-F20 | 350 | 495 | 1750 | 350 | 200 | 335 | 295 | 26 | 8-F23 |
| 200S-63A | 4 | Y250M-2 | 55 | 380 | 930 | 575 | 250 | 550 | 550 | 1308 | 406 | 1680 | ||||||||||
| 200S-42 | 4 | Y225M-2 | 45 | 380 | 815 | 530 | 225 | 460 | 460 | 1212 | 75 | 400 | 6-F20 | 350 | 495 | 1564 | 350 | 200 | 335 | 295 | 26 | 8-F23 |
| 200S-42A | 4 | Y200L2-2 | 37 | 380 | 775 | 475 | 200 | 480 | 480 | 1184 | 280 | 1524 | ||||||||||
| 250S-39 | 4 | Y280S-4 | 75 | 380 | 1000 | 640 | 280 | 620 | 620 | 1565 | 65 | 450 | 6-F25 | 300 | 610 | 1931 | 450 | 250 | 390 | 350 | 28 | 12-F23 |
| 250-an-39a | 4 | Y250M-4 | 55 | 380 | 930 | 575 | 250 | 550 | 550 | 1417 | 560 | 6-F20 | 590 | 1861 | 350 | |||||||
| 250S-24 | 4 | Y225M-4 | 45 | 380 | 845 | 530 | 225 | 520 | 520 | 1400 | 120 | 450 | 6-F20 | 300 | 590 | 1784 | 350 | 250 | 390 | 350 | 28 | 12-F23 |
| 250S-24A | 4 | Y225S-4 | 37 | 380 | 820 | 530 | 225 | 550 | 550 | 1375 | 1759 | |||||||||||
| 250S-14 | 4 | Y200L-4 | 30 | 380 | 775 | 475 | 200 | 520 | 520 | 1306 | 120 | 450 | 6-F20 | 300 | 590 | 1654 | 350 | 250 | 390 | 350 | 28 | 12-F23 |
| 250S-14A | 4 | Y180M-4 | 18.5 | 380 | 670 | 430 | 180 | 520 | 520 | 1234 | 1549 | |||||||||||
| 300S-32 | 4 | Y280M-4 | 90 | 380 | 1050 | 640 | 280 | 740 | 740 | 1710 | 150 | 560 | 6-F20 | 300 | 690 | 2150 | 350 | 300 | 440 | 400 | 28 | 12-F23 |
| 300S-32A | 4 | Y280S-4 | 75 | 380 | 1000 | 640 | 280 | 740 | 740 | 1660 | 2100 | |||||||||||
| 300S-19 | 4 | Y250M-4 | 55 | 380 | 930 | 575 | 250 | 600 | 600 | 1525 | 165 | 550 | 6-F20 | 300 | 670 | 1922 | 350 | 300 | 440 | 400 | 28 | 12-F23 |
| 300S-19A | 4 | Y225M-4 | 45 | 380 | 845 | 530 | 225 | 590 | 590 | 1460 | 1837 | |||||||||||
| 300S-12 | 4 | Y225S-4 | 37 | 380 | 820 | 530 | 225 | 600 | 600 | 1450 | 165 | 550 | 6-F20 | 670 | 1827 | 350 |
|
|||||
| 300S-12A | 4 | Y200L-4 | 30 | 380 | 775 | 475 | 200 | 580 | 580 | 1415 | 1782 | |||||||||||
| Jenis | C | Mesin | Ukuran mesin | E | L | L2 | Flensa pipa mulia | |||||||||||
| Jenis mesin | Kekuatan (KW) |
Voltase (V) |
L1 | H | h | B | A | n-φd1 | DG2 | D2 | Lakukan2 | B2 | n-φd2 | |||||
| 150S-100 | 4 | Y280S-2 | 75 | 380 | 1000 | 280 | 640 | 368 | 457 | 4-F24 | 300 | 150 | 280 | 240 | 24 | 8-F23 | ||
| 150S-78 | Y250M-2 | 55 | 380 | 930 | 250 | 575 | 349 | 406 | 4-F24 | 1647.5 | 569 | |||||||
| 150S-78A | Y225M-2 | 45 | 815 | 225 | 530 | 311 | 356 | 4-F19 | 1532.5 | 520 | ||||||||
| 150S-50 | 4 | Y200L2-2 | 37 | 380 | 775 | 200 | 475 | 305 | 318 | 4-F19 | 300 | 1492.5 | 504 | |||||
| 150S-50A | Y200L1-2 | 30 | 775 | 200 | 475 | 305 | 318 | 4-F19 | 1492.5 | 504 | ||||||||
| 150S-50B | Y180M-2 | 22 | 670 | 180 | 430 | 241 | 279 | 4-F15 | 1387.5 | 492 | ||||||||
| 200S-95 | 4 | Y315m-2 | 132 | 380 | 1310 | 315 | 865 | 457 | 508 | 4-F28 | 375 | 2164.5 | 695 | 200 | 335 | 295 | 26 | 8-F23 |
| 200S-95A | Y315S-2 | 110 | 1240 | 315 | 865 | 406 | 508 | 4-F28 | 2094.5 | 695 | ||||||||
| 200S-95B | Y280S-2 | 75 | 1000 | 280 | 640 | 368 | 457 | 4-F24 | 1854.5 | 669 | ||||||||
| 200S-63 | 4 | Y280S-2 | 75 | 380 | 1000 | 280 | 640 | 368 | 457 | 4-F24 | 350 | 1747.5 | 603 | 200 | 335 | 295 | 26 | 8-F23 |
| 200S-63A | Y250M-2 | 55 | 930 | 250 | 575 | 349 | 406 | 4-F24 | 1677.5 | 581 | ||||||||
| 200S-42 | 4 | Y225M-2 | 45 | 380 | 815 | 225 | 530 | 311 | 356 | 4-F19 | 350 | 1562.5 | 532 | 200 | 335 | 295 | 26 | 8-F23 |
| 200S-42A | Y200L2-2 | 37 | 775 | 200 | 475 | 305 | 318 | 4-F19 | 1522.5 | 516 | ||||||||
| 250S-65 | 4 | Y315m-4 | 132 | 380 | 1340 | 315 | 865 | 457 | 508 | 4-F28 | 500 | 2444.5 | 777 | 250 | 390 | 350 | 28 | 12-F23 |
| 250an-65A | Y280M-4 | 90 | 1050 | 280 | 640 | 419 | 457 | 4-F24 | 2154.5 | 721 | ||||||||
| 250S-3g | 4 | Y280S-4 | 75 | 380 | 1000 | 280 | 640 | 368 | 457 | 4-F24 | 300 | 1987.5 | 711 | 250 | 390 | 350 | 28 | 12-F23 |
| 250-an-39a | Y250M-4 | 55 | 930 | 250 | 575 | 349 | 406 | 4-F24 | 1917.5 | 689 | ||||||||
| 250S-24 | 4 | Y225M-4 | 45 | 380 | 845 | 225 | 530 | 311 | 356 | 4-F19 | 300 | 1787.5 | 635 | 250 | 390 | 350 | 28 | 12-F23 |
| 250S-24A | Y225S-4 | 37 | 820 | 225 | 530 | 286 | 356 | 4-F19 | 1762.5 | |||||||||
| 250S-14 | 4 | Y200L-4 | 30 | 380 | 775 | 200 | 475 | 305 | 318 | 4-F19 | 1671.5 | 557 | ||||||
| 250S-14A | Y180M-4 | 18.5 | 670 | 180 | 430 | 241 | 279 | 4-F15 | 1566.5 | 545 | ||||||||
| 300S-90 | 5 | Y3554-4 | 315 | 6000 | 1820 | 355 | 780 | 900 | 630 | 4-F28 | 500 | 2998.5 | 949 | 300 | 440 | 400 | 28 | 12-F23 |
| Jenis | C | Mesin | Ukuran mesin |
E | L | L2 | Flensa pipa mulia | |||||||||||
| Jenis mesin | Kekuatan (KW) |
Voltase (V) |
L1 | H | h | B | A | n-φd1 | DG2 | D₂ | Lakukan2 | B2 | n-φd2 | |||||
| 300S-90A | 5 | Y3553-4 | 280 | 6000 | 1820 | 355 | 780 | 900 | 630 | 4-F28 | 500 | 2998.5 | 949 | 300 | 440 | 400 | 28 | 12-F23 |
| 300S-90B | Y3551-4 | 220 | 1820 | 355 | 780 | 900 | 630 | 4-F28 | 2998.5 | |||||||||
| 300S-58 | 4 | Y315l2-4 | 200 | 380 | 1340 | 315 | 865 | 508 | 508 | 4-F28 | 300 | 2483.5 | 795 | 300 | 440 | 400 | 28 | 12-F23 |
| 300S-58A | Y315l1-4 | 160 | 1340 | 315 | 865 | 508 | 508 | 4-F28 | 2483.5 | |||||||||
| 300S-58B | Y315m-4 | 132 | 1340 | 315 | 865 | 457 | 508 | 4-F28 | 2483.5 | |||||||||
| 300S-32 | 4 | Y280M-4 | 90 | 380 | 1050 | 280 | 640 | 419 | 457 | 4-F24 | 300 | 2153.5 | 714 | 300 | 440 | 400 | 28 | 12-F23 |
| 300S-32A | Y280S-4 | 75 | 1000 | 280 | 640 | 368 | 457 | 4-F24 | 2103.5 | |||||||||
| 300S-19 | 4 | Y250M-4 | 55 | 380 | 930 | 250 | 575 | 349 | 406 | 4-F24 | 300 | 1912.5 | 624 | 300 | 440 | 400 | 28 | 12-F23 |
| 300S-19A | Y225M-4 | 45 | 845 | 225 | 530 | 311 | 356 | 4-F19 | 1827.5 | 605 | ||||||||
| 300S-12 | 4 | Y225S-4 | 37 | 380 | 820 | 225 | 530 | 286 | 356 | 4-F19 | _ | 1832.5 | 620 | _ | _ | _ | _ | _ |
| 300S-12A | Y200L-4 | 30 | 775 | 200 | 475 | 305 | 318 | 4-F19 | 1787.5 | 574 | ||||||||
| 350S-125 | 7 | Y4502-4 | 710 | 6000 | 2080 | 450 | 935 | 1120 | 800 | 4-F35 | 750 | 3517.5 | 1123 | 350 | 520 | 470 | 38 | 16-F25 |
| 350S-125A | Y4501-4 | 630 | 2080 | 450 | 935 | 1120 | 800 | 4-F35 | 3517.5 | 1123 | ||||||||
| 350S-125B | Y4004-4 | 500 | 1940 | 400 | 835 | 1000 | 710 | 4-F35 | 3377.5 | 1103 | ||||||||
| 350S-75 | 5 | Y4001-4 | 355 |
6000 6000 6000 |
1940 | 400 | 835 | 1000 | 710 | 4-F35 | 500 | 3191.5 | 980 | 350 | 500 | 460 | 30 | 16-F23 |
| 350an-75a | Y3553-4 | 280 | 1820 | 355 | 780 | 900 | 630 | 4-F28 | 3071.5 | 960 | ||||||||
| 350an-75B | Y3551-4 | 220 | 1820 | 355 | 780 | 900 | 630 | 4-F28 | 3071.5 | 960 | ||||||||
| 350S-44 | 5 | Y3551-4 | 220 | 6000 | 1820 | 355 | 780 | 900 | 630 | 4-F28 | 300 | 3057.5 | 955 | 350 | 500 | 460 | 30 | 16-F23 |
| 350S-44A | Y315l1-4 | 160 | 380 | 1340 | 315 | 865 | 508 | 508 | 4-F28 | 2577.5 | 856 | |||||||
| 350S-26 | 4 | Y315m-4 | 132 | 380 | 1340 | 315 | 865 | 457 | 508 | 4-F28 | 300 | 2514.5 | 726 | 350 | 500 | 460 | 30 | 16-F23 |
| 350an-26A | Y280M-4 | 90 | 380 | 1050 | 280 | 640 | 419 | 457 | 4-F24 | 2224.5 | 706 | |||||||
| Jenis | C | Mesin | Ukuran mesin | E | L | L2 | Flensa pipa mulia | |||||||||||
| Jenis mesin | Kekuatan (KW) |
Voltase (V) |
L1 | H | h | B | A | n-φd1 | DG2 | D2 | Lakukan2 | B2 | n-φd2 | |||||
| 350S-16 | 4 | Y280S-4 | 75 | 380 | 1000 | 280 | 640 | 368 | 457 | 4-F24 | _ | 2132.5 | 684 | _ | _ | _ | _ | _ |
| 350S-16A | Y250s-4 | 55 | 380 | 930 | 250 | 575 | 349 | 406 | 4-F24 | 2062.5 | 1169 | |||||||
| 500S-98 | 7 | Y5002-6 | 800 | 6000 | 2550 | 500 | 1040 | 1250 | 900 | 4-F42 | 1000 | 4196.5 | 1354 | 500 | 670 | 620 | 34 | 20-F25 |
| 500S-98A | Y4504-6 | 630 | 6000 | 2120 | 450 | 935 | 1120 | 800 | 4-F35 | 3766.5 | 1234 | |||||||
| 500S-98B | Y4503-6 | 560 | 6000 | 2120 | 450 | 935 | 1120 | 800 | 4-F35 | 3766.5 | 1234 | |||||||
| 500S-59 | 7 | Y4501-6 | 450 | 6000 | 2120 | 450 | 935 | 1120 | 800 | 4-F35 | 800 | 3766.5 | 1229 | 500 | 670 | 620 | 34 | 20-F25 |
| 500S-59A | Y4005-6 | 400 | 6000 | 1940 | 400 | 835 | 1000 | 710 | 4-F35 | 3586.5 | 1169 | |||||||
| 500S-59B | Y4003-6 | 315 | 6000 | 1940 | 400 | 835 | 1000 | 710 | 4-F35 | 3586.5 | 1169 | |||||||
| 500S-35 | 6 | Y4002-6 | 280 | 6000 | 1940 | 400 | 835 | 1000 | 710 | 4-F35 | 800 | 3309.5 | 1017 | 500 | 670 | 620 | 34 | 20-F25 |
| 500S-35A | Y3553-6 | 220 | 6000 | 1820 | 355 | 780 | 900 | 630 | 4-F28 | 3189.5 | 997 | |||||||
| 500S-22 | 6 | Y3553-6 | 220 | 6000 | 1820 | 355 | 780 | 900 | 630 | 4-F28 | 600 | 3221.5 | 1010 | 500 | 670 | 620 | 34 | 20-F25 |
| 500S-22A | Y315l2-6 | 132 | 380 | 1340 | 315 | 865 | 508 | 508 | 4-F28 | 2741.5 | 871 | |||||||
| 500S-13 | 5 | Y315l1-6 | 110 | 380 | 1340 | 315 | 860 | 508 | 508 | 4-F28 | _ | 2653.5 | 815.5 | _ | _ | _ | _ | _ |
| 600S-75 | 7 | Y5003-6 | 900 | 6000 | 2550 | 500 | 1040 | 1250 | 900 | 4-F42 | 600 | 4251.5 | 1292 | 500 | 670 | 620 | 34 | 20-F25 |
| 600S-75A | Y5002-6 | 800 | 6000 | 2550 | 500 | 1040 | 1250 | 900 | 4-F42 | 4251.5 | 1292 | |||||||
| 600S-47 | 7 | Y4503-6 | 560 | 6000 | 2120 | 450 | 935 | 1120 | 800 | 4-F35 | 600 | 3821.5 | 1172 | 500 | 670 | 620 | 34 | 20-F25 |
| 600S-32 | 6 | Y4005-6 | 400 | 6000 | 1940 | 400 | 835 | 1000 | 710 | 4-F35 | _ | 3573.5 | 1053 | _ | _ | _ | _ | _ |
| 600S-32A | Y4002-6 | 280 | 6000 | 1940 | 400 | 835 | 1000 | 710 | 4-F35 | 3555.5 | 1053 | |||||||
| 600S-32B | 6 | Y3554-6 | 250 | 6000 | 1820 | 355 | 780 | 900 | 630 | 4-F32 | _ | 3435.5 | 1013 | _ | _ | _ | _ | _ |
| 600S-22 | Y3554-6 | 250 | 6000 | 1820 | 355 | 780 | 900 | 630 | 4-F32 | 3292.5 | 956 | |||||||
| 600S-22A | Y3553-6 | 220 | 6000 | 1820 | 355 | 780 | 900 | 630 | 4-F28 | 3292.5 | 956 | |||||||
| Jenis | C | Mesin | Ukuran mesin | E | L | L2 | Flensa pipa mulia | |||||||||||
| Jenis mesin | Kekuatan (KW) |
Voltase (V) |
L1 | H | h | B | A | n-φd1 | DG2 | D2 | Lakukan2 | B2 | n-φd2 | |||||
| 800S-22 | 6 | Y450-8 | 450 | 380 | 2080 | 450 | 1650 | 1120 | 800 | 4-F35 | 800 | 4190 | 1191 | 800 | 1015 | 950 | 42 | 24-F33 |
| Y450-10 | 250 | 2080 | 450 | 1650 | 1120 | 800 | 4-F35 | 4190 | 1191 | |||||||||
| 800S-22A | Y450-8 | 315 | 2080 | 450 | 1650 | 1120 | 800 | 4-F35 | 4190 | 1191 | ||||||||
| Y355l-10 | 185 | 1590 | 355 | 990 | 630 | 610 | 4-F28 | 3700 | 1050 | |||||||||
| Y450-10 | 200 | 2080 | 450 | 1650 | 1120 | 800 | 4-F35 | 4190 | 1191 | |||||||||
| 800S-32 | 7 | Y500-8 | 630 | 6000 | 2220 | 500 | 1900 | 1250 | 900 | 4-F42 | 4530 | 1457 | ||||||
| Y450-10 | 315 | 2080 | 450 | 1650 | 1120 | 800 | 4-F35 | 4390 | 1337 | |||||||||
| 800S-32A | Y450-8 | 450 | 2080 | 450 | 1650 | 1120 | 800 | 4-F35 | 4390 | 1337 | ||||||||
| Y450-10 | 250 | 2080 | 450 | 1650 | 1120 | 800 | 4-F35 | 4390 | 1337 | |||||||||
| 800S-47 | 8 | Y1000-8/1180 | 1000 | 2480 | 930 | 1690 | 1800 | 1400 | 4-F48 | 4990 | 1368 | |||||||
| Y500-10 | 450 | 2220 | 500 | 1900 | 1250 | 900 | 4-F42 | 4730 | 1593 | |||||||||
| 800-an-47a | Y500-8 | 710 | 2220 | 500 | 1900 | 1250 | 900 | 4-F42 | 4730 | 1593 | ||||||||
| Y450-10 | 355 | 2080 | 450 | 1650 | 1120 | 800 | 4-F35 | 4590 | 1473 | |||||||||
| 800S-76 | Y1600-8/1430 | 1600 | 2690 | 950 | 1860 | 1900 | 1750 | 4-F48 | 1000 | 4970 | 1423 | |||||||
| Y800-10/1180 | 800 | 2380 | 930 | 1690 | 1700 | 1400 | 4-F48 | 4660 | 1343 | |||||||||
| 800S-76A | Y1250-8/1430 | 1250 | 2540 | 930 | 1860 | 1800 | 1750 | 4-F48 | 4820 | 1373 | ||||||||
| Y500-10 | 630 | 2220 | 500 | 1900 | 1250 | 900 | 4-F42 | 4500 | 1568 | |||||||||
| 800S-76B | Y1000-8/1180 | 1000 | 2480 | 930 | 1690 | 1800 | 1400 | 4-F48 | 4760 | 1343 | ||||||||
| Y500-10 | 500 | 2220 | 500 | 1900 | 1250 | 900 | 4-F42 | 4500 | 1568 | |||||||||
| Jenis | Mesin | Katup kaki P=0,25MPa |
penyaring air (Kode) |
Aktuator P = 1MPA |
Periksa katup P = 1MPA |
Muntah komik pipa (kode) |
Dasar (Kode) |
B4201 | |
| Jenis | Kekuatan (KW) |
Kunci kait | |||||||
| (Kode) | |||||||||
| 150S-100 | Y280S-2 | 75 | Φ150 | — | Φ150 | Φ150 | Z100×10-150×10 | 150S100-Y280S-2 | 4552 |
| 150S-78 | Y250M-2 | 55 | Φ150 | — | Φ150 | Φ150 | Z100×10-150×10 | 150S78-Y250M-2 | 4552 |
| 150S-78A | Y225M-2 | 45 | 150S78-Y225M-2 | ||||||
| 150S-50 | Y200L2-2 | 37 | Φ150 | — | Φ150 | Φ150 | Z100×10-150×10 | 150S50-Y200L-2 | 4552 |
| 150S-50A | Y200L1-2 | 30 | |||||||
| 150S-50B | Y180M-2 | 22 | 150S50-Y180M-2 | ||||||
| 200S-95 | Y315m-2 | 132 | Φ200 | — | Φ200 | Φ200 | Z125×10-200×10 | 200S95-y315m-2 | 6872 |
| 200S-95A | Y315S-2 | 110 | 200S95-Y315S-2 | ||||||
| 200S-95B | Y280S-2 | 75 | 200S95-Y280S-2 | ||||||
| 200S-63 | Y280S-2 | 75 | Φ200 | — | Φ200 | Φ200 | Z150×10-200×10 | 200S63-Y280S-2 | 4552 |
| 200S-63A | Y250M-2 | 55 | 200S63-Y250M-2 | ||||||
| 200S-42 | Y225M-2 | 45 | Φ200 | — | Φ200 | Φ200 | Z150×10-200×10 | 200S42-y225m-2 | 4552 |
| 200S-42A | Y200L2-2 | 37 | 200S42-Y200L-2 | ||||||
| 250S-65 | Y315m-4 | 132 | Φ250 | — | Φ 250 | Φ250 | Z150×10-250×10 | 250s65-y315m-4 | 7885 |
| 250an-65A | Y280M-4 | 90 | 250S65-Y280M-4 | ||||||
| 250S-39 | Y280S-4 | 75 | Φ250 | Φ250 | Φ250 | Z200×10-250×10 | 250s39-y280s-4 | 6872 | |
| 250-an-39a | Y250M-4 | 55 | Φ250 | — | Φ250 | Φ250 | Z200×10-250×10 | D250S-39a-y250m-4 | 6872 |
| 250S-24 | Y225M-4 | 45 | Φ250 | — | Φ250 | Φ250 | Z200×10-250×10 | 250s24-y225m-4 | 6872 |
| 250S-24A | Y225S-4 | 37 | 250s24-y225s-4 | ||||||
| 250S-14 | Y200L-4 | 30 | Φ250 | — | Φ250 | — | Z200×10-250×10 | 250S14-Y200L-4 | 4552 |
| 250S-14A | Y180M-4 | 18.5 | 250S14-Y180M-4 | ||||||
| 300S-90 | Y355l-4 | 315 | Φ300 | — | Φ300 | Φ300 | Z200×10-300×10 | 300S90-Y355L(L) | 9095 |
| 300S-90A | Y355l-4 | 280 | |||||||
| 300S-90B | Y355m-4 | 220 | |||||||
| 300S-58 | Y315l2-4 | 200 | Φ300 | — | Φ300 | Φ300 | Z250×10-300×10 | 300S58-Y315L-4 | 7885 |
| 300S-58A | Y315l1-4 | 160 | |||||||
| 300S-58B | Y315m-4 | 132 | 300S58-Y315M-4 | ||||||
Catatan: kerucut barel dan kunci pas kait adalah aksesori pompa, yang lain dapat disediakan sesuai dengan persyaratan pesanan.
| Jenis | Mesin | Katup kaki P=0,25MPa |
penyaring air (Kode) |
Aktuator P = 1MPA |
Periksa katup P = 1MPA |
Muntah komik pipa (kode) |
Dasar (Kode) |
B4201 | |
| Jenis | Kekuatan (KW) |
Kunci kait | |||||||
| (Kode) | |||||||||
| 300S-32 | Y280M-4 | 90 | Φ300 | — | Φ300 | Φ300 | Z250×10-300×10 | 300S32-Y280M-4 | 7885 |
| 300S-32A | Y280S-4 | 75 | 300S32-Y280S-4 | ||||||
| 300S-19 | Y250M-4 | 55 | Φ300 | — | Φ300 | Φ300 | Z250×10-300×10 | 300S19-Y250M-4 | 6872 |
| 300S-19A | Y225M-4 | 45 | 300S19-Y225M-4 | ||||||
| 300S-12 | Y225S-4 | 37 | Φ300 | — | Φ300 | — | — | 300S12-Y225S-4 | 6872 |
| 300S-12A | Y200L-4 | 30 | 300S12-Y200L-4 | ||||||
| 350S-125 | Y4502-4 | 710 | — | L350 (73) |
Φ350 | Φ350 | Z200×16-350×16 | — | 100110 |
| 350S-125A | Y4501-4 | 630 | |||||||
| 350S-125B | Y4004-4 | 500 | |||||||
| 350S-75 | Y4001-4 | 365 | — | L350 (73) |
Φ350 | Φ350 | Z250×10-350×10 | — | 9095 |
| 350an-75a | Y355l-4 | 280 | 350S75-Y355(M)L-4 | ||||||
| 350an-75B | Y355m-4 | 220 | |||||||
| 350S-44 | Y355m-4 | 220 | — | L350 (73) |
Φ350 | Φ350 | Z300×10-350×10 | 350S44-Y355M(L)-4 | 9095 |
| 350S-44A | Y315l1-4 | 160 | 350S44-Y315L-4 | ||||||
| 350S-26 | Y315m-4 | 132 | L350 (73) |
Φ350 | Φ350 | Z300×10-350×10 | 350s26-y315m-4 | 7885 | |
| 350an-26A | Y280M-4 | 90 | 350s26-y280m-4 | ||||||
| 350S-16 | Y280S-4 | 75 | — | L350 (73) |
Φ500 | — | — | 350S16-Y280S-4 | 6872 |
| 350S-16A | Y250M-4 | 55 | 350S16-Y250M-4 | ||||||
| 500S-98 | Y5002-6 | 800 | — | L500 (73) |
Φ500 | Φ500 | — | — | 135145 |
| 500S-98A | Y5001-6 | 710 | |||||||
| 500S-98B | Y4503-6 | 560 | |||||||
| 500S-59 | Y4501-6 | 450 | — | L500 (73) |
Φ500 | Φ500 | Z350×10-500×10 | — |
100110 115130 |
| 500S-59A | Y4005-6 | 400 | |||||||
| 500S-59B | Y4003-6 | 315 | |||||||
| 500S-35 | Y4002-6 | 280 | — | L500 (73) |
Φ500 | Φ500 | Z350×10-500×10 | — | 9095 |
| 500S-35A | Y3553-6 | 220 | |||||||
| 500S-22 | Y3553-6 | 220 | — | L500 (73) |
Φ500 | Φ500 | — | — | 7885 |
| 500S-22A | Y315l2-6 | 132 | 500S22-Y315L-6 | ||||||
Catatan: kerucut barel dan kunci pas kait adalah aksesori pompa, yang lain dapat disediakan sesuai dengan persyaratan pesanan.
| Jenis | Mesin | Katup kaki P=0,25MPa |
penyaring air (Kode) |
Aktuator P = 1MPA |
Periksa katup P = 1MPA |
Muntah komik pipa (kode) |
Dasar (Kode) |
B4201 | |
| Jenis | Kekuatan (KW) |
Kunci kait | |||||||
| (Kode) | |||||||||
| 500S-13 | Y355l1-6 | 110 | — | L500 (73) | Φ500 | Φ500 | — | — | 7885 |
| 600S-75 | Y5003-6 | 900 | — | L600 (73) |
Φ500 | Φ500 | Z400×10-500×10 | — | 135145 |
| 600S-75A | Y5002-6 | 800 | |||||||
| 600S-47 | Y4503-6 | 560 | — | L600(73) | Φ500 | Φ500 | Z400×10-500×10 | — | 135145 |
| 600S-32 | Y4005-6 | 400 | — | L600 (73) |
Φ500 | Φ500 | — | — |
100110 115130 |
| 600S-32A | Y4002-6 | 280 | |||||||
| 600S-32B | Y3554-6 | 250 | |||||||
| 600S-22 | Y3554-6 | 250 | — | L600 (73) |
Φ500 | Φ500 | — | — | 9095 |
| 600S-22A | Y3553-6 | 220 | |||||||
| 800S-22 | Y450-8 | 450 | — | L800 | Φ600 | Φ600 | — | — | 9095 |
| Y450-10 | 250 | ||||||||
| 800S-22A | Y450-8 | 315 | |||||||
| Y355l-10 | 185 | ||||||||
| Y450-10 | 200 | ||||||||
| 800S-32 | Y500-8 | 630 | — | L800 | Φ600 | Φ600 | — | — | 100110 |
| Y450-10 | 315 | ||||||||
| 800S-32A | Y450-8 | 450 | |||||||
| Y500-10 | 250 | ||||||||
| 800S-47 | Y1000-8/1180 | 1000 | — | L800 | Φ600 | Φ600 | — | — | 135145 |
| Y500-10 | 450 | ||||||||
| 800-an-47a | Y500-8 | 710 | |||||||
| Y450-10 | 355 | ||||||||
| 800S-76 | Y1600-8/1430 | 1600 | — | L800 | Φ800 | Φ800 | — | — | 135145 |
| Y800-10/1180 | 800 | ||||||||
| 800S-76A | Y1250-8/1430 | 1250 | |||||||
| Y500-10 | 630 | ||||||||
| 800S-76B | Y1000-8/1180 | 1000 | |||||||
| Y500-10 | 500 | ||||||||
Catatan: kerucut barel dan kunci pas kait adalah aksesori pompa, yang lain dapat disediakan sesuai dengan persyaratan pesanan.